0512-36902406
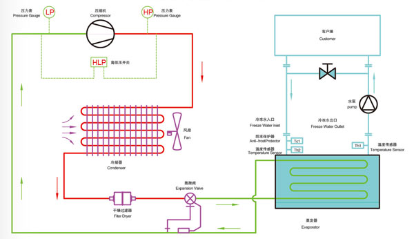
壓縮機高低壓保護,內過熱保護
低水流警報裝置,低水溫防水警報
采用歐美日進口壓縮機
制冷系統焊接口采用無氧焊接法,減少氧化物,表面光滑
節流部件采用丹麥丹弗斯,美國艾柯
水箱采用SUS304不銹鋼避免腐蝕漏水
RS485通訊功能,實現自動化管理(選購)
采用不銹鋼板式,盤管式,殼管式,翅片式高效換熱器
電器采用OMRON.FUJI.TE.LG.MOELLER.SCHEIDER
控制方式:采用進口微電腦人機界面和PLC控制(選購)
安全保護完善,故障顯示、維修、保養無需專業人員
高效率之蒸發器及冷凝器,可節省能源30%以上
JY-10WD以上采用兩組壓縮機頭,可單獨或共同使用
1、電源欠相和相序保護
2、總漏電保護開關
3、泵反轉保護
4、泵過載保護
5、溫度過高保護
6、管道堵塞BY-PASS洩壓回路
7、溫度異常保護
8、異常警報蜂鳴器
9、缺媒體保護
10、接觸器卡死保護
11、壓力檢測(壓力異常停止加熱)




